Catalysis Lab
This is NOT a user facility!
(Click on figures for enlarged versions.)
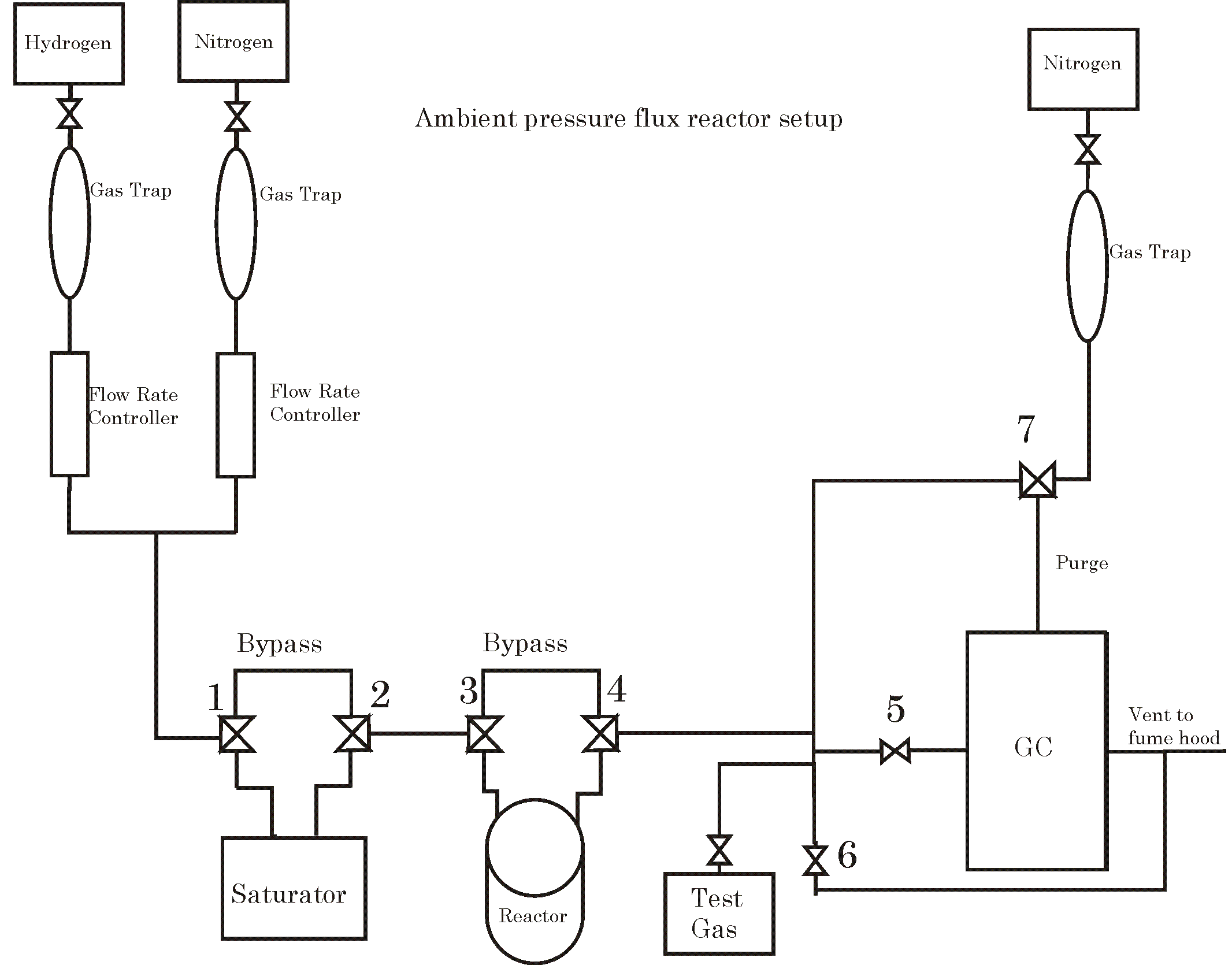
Ambient pressure flux reactor (powder catalysis setup):
> GC - gas chromatograph
> Quartz glass mini reactor
> Tube furnace (reactor heating)
> Temperature controller for reactor heating
> Flux regulators (with controller)
> (Cold) traps & filter
> Evaporator for liquides
> Gas manifolds for calibration gases, carrier gas, reactive gases
> Fume hood connections
etc.
> PC controlled system

